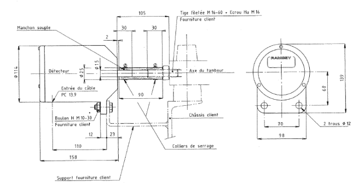
Nouveau capteur de rotation (encodeur) – Série 6012X
Remplacement des modèles Thermo Scientific Ramsey : 60-12C / 60-12C / 60-12EN
Construction endurcie
-
Boîtier métallique renforcé, conçu pour résister aux environnements industriels sévères
-
Résistance élevée aux chocs, vibrations, poussières et projections d’eau
-
Double roulement Ø 20 mm avec joint d’étanchéité
-
Matériaux adaptés aux variations de température et aux fortes contraintes mécaniques
Caractéristiques principales
-
Résolution : 200 impulsions par tour (200 imp/tour)
-
Alimentation : 24 VDC (plage d’alimentation possible selon modèle)
-
Interface de sortie : Connecteur M12 pour un raccordement rapide et sécurisé
-
Type de signal : Sortie incrémentale A/B, compatible avec la plupart des systèmes d’automatisation
-
Utilisation : Mesure de vitesse ou de pesage dynamique en environnement industriel,
-
Montage : Installation simple sur arbre moteur ou ligne d’entraînement
Version Capteur de Vitesse Haute Précision – Convoyeurs à Bande Faible Vitesse
-
Alimentation : 10–24 VDC
-
Vitesse maximale : 240 tr/min
-
Résolution : 200 impulsions par tour
-
Sortie : Collecteur ouvert NPN (sortie statique), Imax = 0,10 mA
-
Accessoires : Livré avec accouplement élastique pour axe de 12 à 16 mm





